STRAIGHT CONNECTORS - RACEWAY3
|
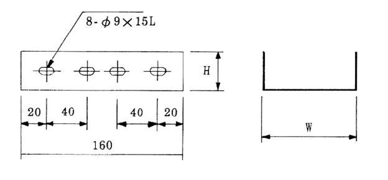
鋁 製 線 槽 ALUMINUM RACEWAY |
線槽寬度
W |
線槽高度
H |
|
型 號 CAT NO |
||
|
CLA15C |
93 |
43 |
|
CLA75C |
69 |
44 |
|
鋁 製 線 槽 ALUMINUM RACEWAY |
不銹鋼線槽 STAINLESS RACEWAY |
線槽寬度
W |
線槽高度
H |
|
型 號 CAT NO |
型 號 CAT NO |
||
|
CLS15 |
CLSS15 |
96 |
46 |
|
CLS75 |
CLSS75 |
71 |
46 |
|
CLS41 |
CLSS41 |
35 |
35 |

